상세정보
※ 다엽관의 잠재력, 비교 결과는 자사 평가시험에 의거합니다.
※ 재질이나 환경조건에 의해 상이합니다. 성능을 보증하는 것은 아닙니다.

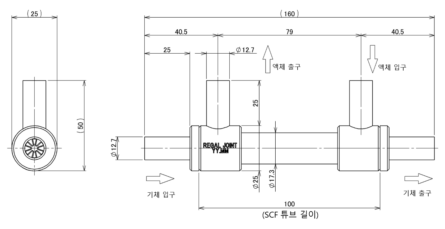
히토루Ⓡ 치수 도면

히토루Ⓡ 성능데이터 : 공기 배출구 온도 및 공기 흐름 그래프
ⓥ 뜨거운 가스를 냉각하는데 유용합니다.

공기 입구 온도 300℃(물 입구온도 20℃)에서 공기 출구 온도 그래프 |
공기 입구 온도 200℃(물 입구온도 20℃)에서 공기 출구 온도 그래프 |
히토루Ⓡ 성능데이터 : 공기/물 압력손실 그래프
공기 압력손실 |
물 압력손실 |
→ 대형화를 피할 수 없음. 사이즈를 키울 수 없다면 열전달효율을 올려야 함.
(리크의 원인이 됨)
리갈조인트제 「SCF튜브 채용 열교환기」의 장점
열교환기 원통식과 SCF튜브식의 비교
|
원형 튜브 열교환기의 |
SCF 튜브 | |
열 전달 영역을 늘리는 방법?![]() |
난류 유동 효과를 유지하면서 약 1.8 배의 열 전달 면적 (동일한 외경의 원형 튜브와 비교하여)을 얻을 수 있습니다.(매우 효율적인 열 전달) |
|
| 열 전달 면적을 늘리려면 크기가 커집니다. | 유로 단면적을 줄일 수 있기 때문에 내부 유체의 속도를
향상시키고 크기를 줄일 수 있습니다. (원형 튜브와 비교하여) 크기는 약 1/2입니다. |
|
|
고온 유체가 외부 주변부로 흐르기 때문에 열팽창으로 인해 금속의 왜곡이 발생합니다. |
고온 유체는 외주측으로 흐를 수 있고 왜곡이 발생
하지 않으며(내열응력이 높은 구조) SC 튜브를 핀으로 사용함으로써, 튜브 내부에 고온 가스 유로가 형성될 수 있다. |
|
●반도체업계
・종형확산로

공장설비로부터 발생하는 배열을 그냥 바깥으로 방출하지않고, 열교환기로 조건온도까지 식힌 다음 방출합니다.
・고객의 사양에 대응하여 그에 적합한 설계, 제작을 하고 있습니다.
・선택가능한 전열성능
4엽~7엽의 형상을 선태하는 것으로 내측유로단면적을 정할 수 있습니다. 2배이상의 전열성능향상도 기대할 수 있습니다.
종래에는 난류효과에의한 성능향상을 위해 전열면적을 희생시킬 수 밖에 없었습니다.
・용도에 알맞게 스트레이트, 스파이럴 등 다양한 종류의 형상을 선택가능
・이중관식, 다관식 등의 다양한 셀 및 튜브식 열교환기의 설계가 가능
| 유량범위(참고치) | 액체 | 100mL/min~30L/min | |
| 기체 | 10NL/min~5000NL/min | ||
| 적용유체 | 액체 | 물, 공업용수 등 | |
| 기체 | 공기, 질소, 수소 등 | ||
| 열교환가능한 조합 | 대응가능 | 가스 - 액체 | |
| 상담요망 | 액체 - 액체(전열면적의 데이터가 있으면 도움이됩니다.) | ||
| 대응불가 | 가스 - 가스 | ||
| 재질 | 표준사양은 스테인레스제 (희망에따라 다른 소재의 대응도 가능) | ||
●고객의 사양에 대응하는 것이 가능합니다. 언제든지 문의해 주시기 바랍니다.
(사양서를 다운로드하여 사전에 기입한 후에 문의해주시기 바랍니다.)
사양서 다운로드
사양에따른 변동도 있습니다만, 기본적인 흐름은 아래와 같습니다.
